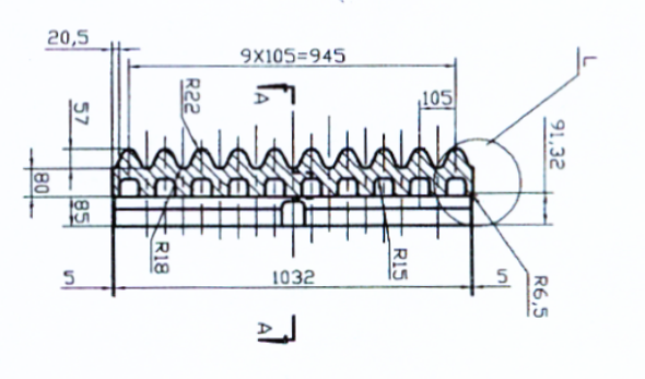
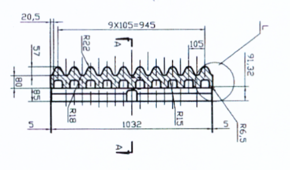
Nasze części

Waga 1252,0000 kg

Opinie

Na razie nie ma opinii o produkcie.

Napisz pierwszą opinię o „SZCZĘKA RUCHOMA FINLAY 1175 SUPERTOOTH 22%Mn2%Cr 31.10.1173”